山西鼎控输配电有限公司
|
设为首页
|
加入收藏
|
网站首页
关于我们
新闻中心
产品展示
企业文化
营销网络
荣誉资质
工程案例
售后服务
联系我们
产品类别
箱式变电站
非标操作台配电箱
高低压开关设备
联系我们
公司名称:山西鼎控输配电有限公司
公司地址:山西省太原市晋源区晋源街道北外环街太原涤纶厂院内18号厂房
联 系 人:王经理
联系电话:0351-5208880
电子邮件:50433@qq.com
工程案例
当前位置:您当前位置:
山西鼎控输配电有限公司
>>
工程案例
>> 浏览文章
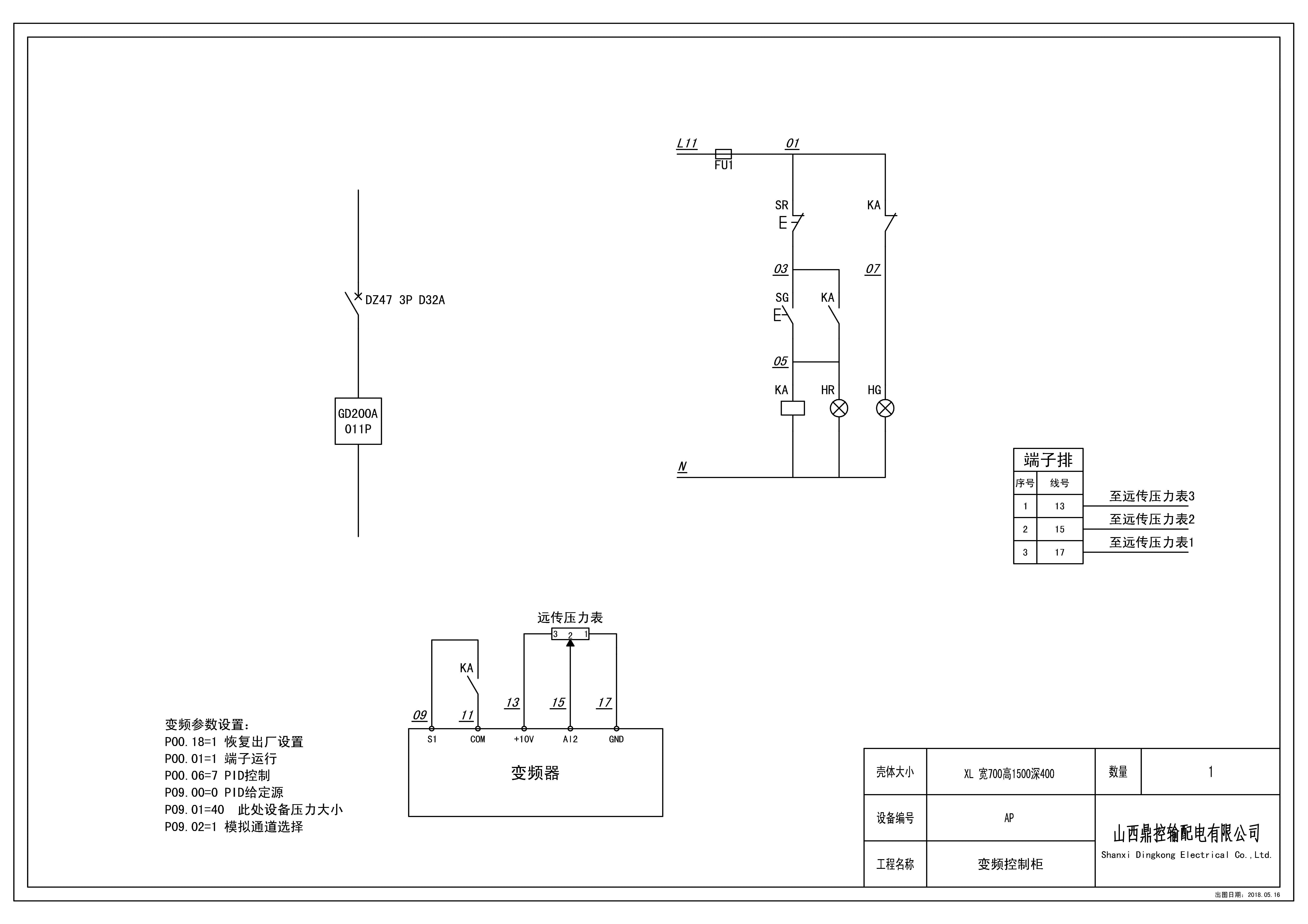
英威腾GD200A系列恒压供水图
发布时间:2018-5-16 9:57:54 浏览次数:次 来源:本站原创 作者:佚名 【字体:
大
中
小
】
上一篇文章:
太原新兴皮件厂职工住宅楼
下一篇文章:
没有了
山西鼎控输配电有限公司 版权所有
地址:山西省太原市晋源区晋源街道北外环街太原涤纶厂院内18号厂房
电话:0351-5208880 E-mail:50433@qq.com